无线网络覆盖系统技术方案与施工方案
前言
大家好,我是薛哥。最近VIP会员群的读者咨询无线覆盖系统的技术方案及施工方案,今天分享一个不错的方案,可以参考一下。
此套完整的word素材,VIP会员有需求的可以直接私信我,下载!
非会员也可以进入我的“知识星球”进行下载,点击扫码进入就可以了。
想要下载弱电精品资料的,可以扫码加入!
终将渡过成长的海
01
正文
xxxx集团
无线网络覆盖施工方案
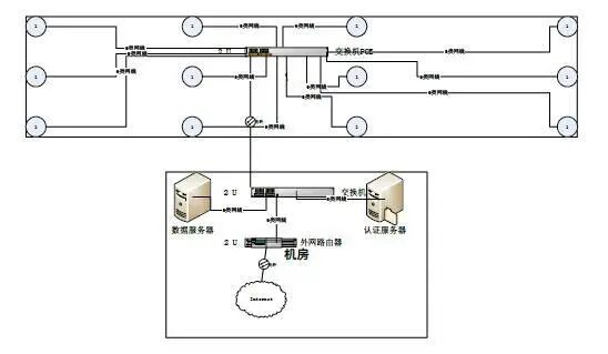
根据我司实地调查xx集团总部厂区宿舍楼的布局特点,依据无线网络需求和无线网络设计原则,结合某无线系统技术和产品的特点,施工方案设计如下:
1、无线覆盖网络结构示意图
结合用户无线网络需求情况,结合某产品自身技术特点,为了满足用户构建一个高速、稳定、安全、可靠、易于管理的无线接入网络的需求,本设计方案按照AP+AC的结构化无线网络解决方案进行设计。网络拓扑原理如下:
2、无线覆盖实际拓扑图(宿舍楼)
3、无线设备点位设计
实际部署方式需要根据现场实际勘测、信号测试情况,无线网络采取蜂窝式部署方式。
xx总部宿舍楼:
暂定部署按7800平方米覆盖,宿舍人数较多每150-300平方米需要一个AP,预计总AP数量约为28个:
序号
设备类型
放置区域
设备数量
1
无线接入点AP
宿舍走廊顶部
42
2
POE交换机
隐蔽处 (协商隐蔽处)
6
3
网关(认证服务器)
机房(协商隐蔽处)
5
4
AC(控制器)
机房(协商隐蔽处)
5
5
硬路由
机房
1
4、AP 点位图(每层宿舍楼)
根据覆盖区域面积要求,AP点施工规划图如下(实际施工中可能会此规划图稍有偏差,具体方案以现场施工要求和条件为准):
5、弱电施工布线图(均采用无插座POE供电,安全可靠)
6.设计依据
网络标准:支持 IEEE802.11n,IEEE802.11g,IEEE802.11b,IEEE 802.3u,IEEE13802.3af;
传输速率:300M:-65dBm@10% PER;150M:-68dBm@10% PER;108M:
-70dBm@10% PER;54M:-72dBm@10% PER11M:-85dBm@8% PER;6M:
-88dBm@10% PER;1M:-90dBm@8% PER;
介质访问协议:CSMA/CA, TCP/IP, IPX/SPX, NetBEUI, DHCP, NDIS3, NDIS4,
NDIS5
调制:DBPSK、DQPSK、CCK、OFDM、16-QAM、64-QAM
7.无线覆盖技术指标
待覆盖区域内 95%以上的位置,信号场强大于等于-75dBm;
WIFI 覆盖区域内 99%的区域的 WIFI 的接入成功率大于 95%;单 AP 并发用户数不低于 30 人/台;天线口的出口功率控制在 10-15dBm 为宜,最大不超过 15dBm(有室内分布系统时需有此指标) ,放装 AP 设备输出射频功率小于 20dBm;
8.设备选型情况
AP 选用室内放装型设备、内置天线,不建设分布系统,设备射频输出功率为100mW,采用 POE 供电;所有 AP接入有线汇聚到交换机;
9.系统支持并发用户数
在本次 WIFI 工程:
(1) 覆盖区域网络 AP 数量:每层宿舍楼3个AP。
(2) 每 AP 最佳并发接入用户数30 个左右;单 AP 可关联用户数 64 个。
10.信道规划
按照802.11bgn 协议规定,WIFI 工作频段带宽为 83.5MHz,划分为 14 个子频道,每个子频道带宽为 22MHz。子频道分配如下图所示:
如图所示,在多个频道同时工作的情况下,为保证频道之间不相互干扰,要求两个频 道的中心频率间隔不能低于 25MHz。在一个覆盖区内,直序扩频技术最多可以提供 3 个不 重叠的频道同时工作。
因此,频点分配原则如下:
原则上采用同一频点组中的 3 个不重叠频点(如,1、6、11)进行频点规划;
相邻覆盖区域的 AP 不使用相同频点;
相同频点通过间隔较远距离或者建筑隔断增加同频隔离度,避免同频干扰;在容量极高区域,可采用 1、3、6、8、11、13 频点的紧凑复用,提高区域内的承载容量,必须详细提供各个 AP 的覆盖区域以及模测效果,说明已采用避免干扰的布点及规划。
11.设备安装要求
11.1 网关、交换机、AC的具体安装要求
(1)必须按照设计要求,安装在楼宇的 WIFI 设备机箱(机房)内且远离强电、强磁及腐蚀物质的位置;
(2) 机箱(或机房)周围不得堆放易燃材料,温度、湿度应满足设备的正常工作要求;
(3)直接从机箱(机房)内 220V交流电源取电,电源线应与数据线缆保持一定距离,不得交叉、混缠;
(4) 交换机安装于集装架内或者安装在铁箱中挂在墙上,机架应牢固地安装在地面或者挂墙;
(5) 与各设备连接跳线尚未接入时,应先用胶布包好,注意防潮;
(6) 各引入线缆标签应牢固、明晰,不得混淆;
(7) 设备、机箱(机架)和机房线缆应擦拭干净;
(8)保持设备整洁;
(9)本次工程所有光纤收发器、POE 供电交换机安装在合适位置。
11.2AP 设备的安装要求
(1) 内置天线的 AP,应严格按照设计文件要求的位置,安装在房间或走廊的吊顶下或墙面上;
(2) AP 应良好固定,安装朝向应符合内置天线极化方式要求,并满足设计文件的覆盖要求;
(3) AP 安装时应保证整齐、美观,不破坏室内的整体环境;
(4) AP 的供电由 PoE 通过双绞线缆获取,也可通过专用变压器就近接交流 220V 电源供电,电源线应与数据线缆保持不小于 130mm 距离;
(5) 引入 AP 的线缆,应与 AP 良好连接,不得松脱,并注意接头处用防水胶布缠扎、 防护,注意防潮、防尘;
(6) 安装 AP 后应用抹布擦拭,保证 AP 的清洁。
11.3双绞网线线安装要求
(1) WIFI 系统布放的双绞线主要在建筑物的竖井和天花吊顶中布放;
(2)在线缆引入口采用 PVC 软管防护,并进行防水处理,每根管中穿线不得多于 6 根;
(3)布放应平直、美观,不得产生扭绞、打圈等现象,不应受到外力的挤压和损伤;布放时两端应保证有 1~3m 的冗余,以便于接线作业;
(4)需要弯曲布放时,要求弯角圆滑、美观,其弯曲半径应保证≥电缆外径的 8~10 倍。
(5)厂区内每个宿舍楼需要安装两个光纤接口。分别安于每栋楼层的2楼和4楼商定位置。
(6)跨楼层的双绞网线根据美佳公司相关要求走宿舍楼外墙壁。
(7)所选用双绞线均为放水,放静电,绝缘,耐火材料。
12.施工注意事项
(1)施工期间不能影响职工的生活休息,必须遵守美佳集团的相关安全管理规定。
(2)有权对乙方工程施工工作进行监督。
(2)在设备的安装、调测及开通期间,甲方应提供必要的配合,保证施工的完成。
最新精品资料介绍
最近发布了2023年下半年(到12月31号)的公众号文章。里面有方案,有图片,基本涵盖了智能化弱电行业的各个系统的文章,而且还送20套精品资料,每一篇都带着题目,方便大家查找相关内容。比如搜索视频监控方面的资料。此资料非常适合新人学习,尤其没有时间、又不知道怎么搜索资料的,全文件共计5000多个,建议弄一套,绝对有帮助!
文章中的PPT方案,全部赠送了,共计400个PPT,6套完整图纸,316个行业标准规范及施工图集,word的方案60个,施工组织设计20个,工程量清单20个(带参考价格),图纸及素材162个,VISIO图块及拓扑图120个,项目管理及施工方案,实用性excel表格68个,投标方案及施工组织设计等等。
相关内容可以点击下面的链接查看
2023年下半年弱电资料发布,大量更新,赠送各类智能化精品资料
薛哥总结:
如果您需要2023年的上半年文章,可以查看以下链接:
如果您需要2022年的下半年文章,可以查看以下链接:
2022年下半年弱电资料发布,大量更新,赠送海量智能化精品资料
弱电资料免费送,需要的点下面的链接
好的文章分享出去,分享是一种美德,帮助别人就是帮助自己
如果您在学习弱电行业知识的时遇到问题,不能解决的时候,可以咨询我!我愿意为那些刚入行的人提供一点帮助。欢迎大家加我的QQ号81113907或者微信81113907
弱电成长俱乐部(VIP群)8群正在招募会员,已经有3500名精英加入我们,欢迎弱电工作者加入!现在入群可以获得精品资料,和3500人脉资源。
我们的宗旨就是分享知识,共享资源,合作共赢,共同成长!
具体详情点击下面的链接:
弱电成长俱乐部(VIP)8群成立,高端人脉圈子,会员权益增加!
扫二维码|关注我们
微信号|ruodianxuege、kkiiss
薛哥,一级建造师,弱电成长俱乐部创始人,精通智能化全过程,期待与你合作!
薛哥每天更新智能化弱电知识,欢迎大家交流。
期待你的
分享
点赞
在看
编后语:由于微信修改了推送规则,没有经常留言或点“在看”的,会慢慢的收不到推送!如果你还想每天看到我们的推送,请将 “薛哥的公众号“加为星标或每次看完后点击一下页面下端的“赞” “在看”,谢谢!
标签:
相关文章:
优化移动端体验,提升搜索引擎排名。
百度百度百科,揭秘网络搜索巨头背后的故事?,秦皇岛阿里巴巴网站建设
专注核心关键词,定制软件,您需要吗?,文颂娴三级网站建设
西班牙语中的“senorita”改写为“小姐”或“女士”
广告联盟赚钱必看的微博引流方法,上微博热门引流!
网站推广方法怎么选?看看这里怎么说
网站怎样赚钱?网站赚钱的五大主流方式
SEO排名如何影响访客量?揭秘其奥秘!
淘宝秒杀专区在哪?靠谱吗?
马尾SEO团队,助力企业互联网营销,如何成为隐形推手?,亚马逊如何刷关键词排名
“高效网站排名神器,一测便知!”
2021网站的推广如何获得更好的流量
百度SEO关键词外包,专业优化服务
九个实用网站推广的常用方法帮你增加流量
全网营销时代,云企汇通要做好网络个性化营销的优化策略具体分析
申请融资是什么意思
QQ群排名优化,轻松上首页!
视频号带货扣点是多少呢?
探营云栖大会黑科技:动嘴就能做网站,给灵感就能制作海报大S自乱阵脚!律师发声帮倒忙连忙撤文,台媒曝服药致幻确有其事
“高效触达,精准营销,一触即达!”
淘宝宝贝权重速查神器
SEO优化,突破搜索引擎排名瓶颈,快速提升页面排名。
招聘者是什么意思
南阳建站专家,如何打造高效企业网站?,广州一站式网站优化公司
天猫店铺转让价格波动大?何时出手最划算?
情绪状态有哪些
域名申请·空间租赁专家
网络营销精管术
“百度工具栏速查,一触即达”
瑞士一家公司要求员工“如厕打卡” 瑞士法院判合法
产品和运营的核心区别
精准挖掘流量关键词,双提升网站曝光与转化
58同城SEO优化升级,高效流量加速!
花卉园艺种植采摘类网站模板
河北SEO服务方案,如何选最适合你的?,优化关键词排名推荐f火11星
华为公司申请使用神经网络进行信源编码的方法和系统专利,该专利技术能使设备发送至少与传输信道一样不可靠的特征是个狠人!江苏一小男孩上课犯困被叫醒,两巴掌呼的老师猝不及防
淘宝会员名能改吗?
营销中的4p指的是什么
AI写作潜力无限,革新未来文风。
高效门户,企业信息一网打尽
数据分析的新境界,如何定义爬虫搜集软件的未来?
致富新手段,上1天班索赔3600元?法院这样判
引领智能语言新纪元
“SEO关键词优化,品牌速占市场新势力”
轻快浏览,尽在指尖
资产周转率怎么理解
网络营销核心策略,高效吸粉
抖音营销经典案例盘点
“社区圈层,精准营销新范式”
SEO初学者全面指南





